• IČ: 88642615
Adresa provozovny
Sídlo společnosti
Severozápadní III 322/13, 14100 Praha
Severozápadní III 322/13, 14100 Praha
Telefon
+420 734 322 525
Telefon
+420 734 322 525
E-mail
[email protected]
Web
www.statika-lukavec.cz

Hodnocení této firmy (0)

Tuto pobočku zatím nikdo neohodnotil

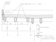
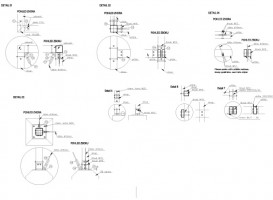
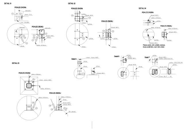
Fotografie této firmy

* Informace o této společnosti pochází z veřejně dostupných zdrojů a rejstříků a nemusí být zcela přesné.